
304不锈钢十字槽盘头螺钉ASMEB18.6.3P
规格尺寸:0#-3/4"
标准号:ASMEB18.6.3P
材质:304不锈钢
头型:十字槽盘头
商品详情
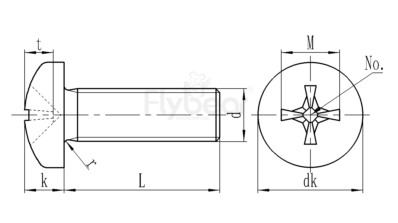
产品图纸

产品名称:
304不锈钢十字槽盘头螺钉ASMEB18.6.3P
产品参数


【产品优势】
优异抗腐蚀性:304不锈钢十字槽盘头螺钉ASMEB18.6.3P采用304不锈钢,抗氧化和酸碱腐蚀,适合潮湿环境,延长建筑、电子设备寿命。
美观盘头设计:ASME B18.6.3P螺钉盘头平整,提供大接触面积,表面美观,适合装饰性连接,如建筑面板和电子外壳。
十字槽高效安装:304不锈钢十字槽盘头螺钉ASMEB18.6.3P十字槽适配标准螺丝刀,安装快捷,适合自动化装配和快速维护。
高精度螺纹:ASME B18.6.3P螺钉螺纹精度高,配合紧密,减少松动风险,适合高精度电子设备和机械紧固场景。
【基础对比】
对比316不锈钢螺钉:304不锈钢十字槽盘头螺钉ASMEB18.6.3P成本低于316不锈钢,适合中等腐蚀环境,如建筑装饰,性价比更高。
对比碳钢螺钉:ASME B18.6.3P螺钉采用304不锈钢,耐腐蚀性优于碳钢,适合潮湿环境,避免生锈,延长使用寿命。
对比沉头螺钉:304不锈钢十字槽盘头螺钉ASMEB18.6.3P盘头设计提供更大接触面积,优于沉头螺钉,适合薄板美观连接。
对比非标螺钉:ASME B18.6.3P螺钉遵循标准,螺纹精度高,兼容性强,优于非标螺钉,适合标准化装配需求。
【应用案例】
建筑装饰面板固定:304不锈钢十字槽盘头螺钉ASMEB18.6.3P用于幕墙面板,304不锈钢抗氧化,盘头美观,保障长期装饰效果。
电子设备外壳装配:电子外壳采用ASME B18.6.3P螺钉,十字槽便于快速安装,304不锈钢耐腐蚀,适合室内外使用。
机械设备部件连接:304不锈钢十字槽盘头螺钉ASMEB18.6.3P固定机械外壳,盘头增强接触面积,适合低振动薄板连接。
家具制造紧固:家具面板采用ASME B18.6.3P螺钉,304不锈钢抗潮湿腐蚀,盘头平整美观,提升家具外观与耐用性。
【注意事项】
控制拧紧力矩:安装304不锈钢十字槽盘头螺钉时,使用扭矩螺丝刀,避免过力损伤十字槽或螺纹,影响紧固效果。
检查槽型清洁:确保螺钉十字槽无杂质,安装前清理,防止螺丝刀打滑,保障螺纹精度和安装质量。
避免电偶腐蚀:搭配304不锈钢螺母或同材质部件,避免异种金属接触,保护304不锈钢十字槽盘头螺钉耐腐蚀性。
定期检查松动:高振动工况下,定期检查ASME B18.6.3P螺钉紧固状态,必要时重新拧紧,确保薄板连接稳定性。
控制工作温度:304不锈钢在400°C以下性能稳定,注意工况温度,保护304不锈钢十字槽盘头螺钉ASMEB18.6.3P力学性能。
【技术问答】
1.常见问题:为何选择304不锈钢十字槽盘头螺钉ASMEB18.6.3P?
回答:304不锈钢十字槽盘头螺钉ASMEB18.6.3P采用304不锈钢,抗氧化和酸碱腐蚀,适合建筑装饰、电子设备等中等腐蚀环境。
A2-50等级抗拉强度约500 MPa,盘头设计美观,十字槽便于安装,遵循ASME B18.6.3P标准,螺纹精度高,适配薄板连接,性价比高。
2.常见问题:盘头设计有何优势?
回答:304不锈钢十字槽盘头螺钉ASMEB18.6.3P的盘头提供更大接触面积,减少薄板变形风险,表面平整美观,适合装饰性连接。十字
槽适配标准螺丝刀,螺纹精度符合ASME B18.6.3P标准,安装便捷,保障电子设备和建筑面板的紧固可靠性。
3.常见问题:如何确保螺钉的紧固稳定性?
回答:安装304不锈钢十字槽盘头螺钉ASMEB18.6.3P时,按推荐力矩拧紧,配合304不锈钢螺母,定期检查松动。涂抹润滑脂减少摩擦,
遵循ASME B18.6.3P标准,确保十字槽和螺纹清洁,保障高振动工况下的紧固性能和稳定性。
4.常见问题:304不锈钢螺钉适合哪些场景?
回答:304不锈钢十字槽盘头螺钉ASMEB18.6.3P适配薄板紧固,如建筑装饰、电子外壳、家具制造。304不锈钢耐腐蚀,盘头增强接触面积,
螺纹精度符合ASME B18.6.3P标准,满足中等腐蚀环境下的美观和可靠性需求。
5.常见问题:304不锈钢螺钉适合高温环境吗?
回答:304不锈钢十字槽盘头螺钉ASMEB18.6.3P在400°C以下保持优异力学性能,适合建筑、电子设备等中温紧固。超出此温度需降温或更换
耐高温材质,确保ASME B18.6.3P螺钉在高温工况下的强度和耐久性。
【保存提示】
干燥环境存储:304不锈钢十字槽盘头螺钉ASMEB18.6.3P需存放于通风干燥处,避免潮湿影响304不锈钢抗腐蚀性能,延长保存期限。
防碰撞包装:使用塑料盒或泡沫分装,防止碰撞损伤,保护ASME B18.6.3P螺钉十字槽和螺纹精度,确保安装质量。
分类清晰存放:按规格分装,标注清晰,便于快速取用304不锈钢十字槽盘头螺钉ASMEB18.6.3P,避免混淆其他规格。
远离腐蚀物质:避免接触酸碱或盐类化学品,保护304不锈钢表面,延长ASME B18.6.3P螺钉的使用寿命和性能。
定期维护检查:每季检查存储环境,确保无潮气或污染物,必要时涂防锈油,保护304不锈钢十字槽盘头螺钉ASMEB18.6.3P性能。