
304不锈钢外六角半牙螺栓ASME18.2.1
规格尺寸:1/4”-4”
标准号:ASMEB18.2.1-2012Table2半牙
材质:304不锈钢
头型:六角头
商品详情
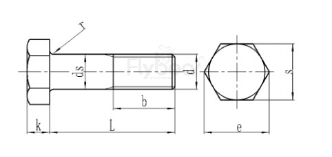
产品图纸

产品名称:
304不锈钢外六角半牙螺栓ASME18.2.1
产品参数

产品优势
耐腐蚀性: 外六角半牙螺栓ASME18.2.1采用不锈钢材质,适用于潮湿、化学物质多的环境,减少腐蚀风险。
半牙设计: 半牙设计减少了螺纹部分的长度,适用于需要部分螺纹连接的场合,提高了安装效率。
标准化生产: 符合ASMEB18.2.1-2012 Table 2标准,确保了产品的精度和互换性,适用于需要高一致性的工业应用。
易于施工: 六角头便于使用常规工具,安装和拆卸简单快捷,降低了劳动成本。
广泛应用: 由于其耐用性和标准化,外六角半牙螺栓ASME18.2.1在机械、建筑、汽车等领域广泛应用。
组合方案
与平垫圈配合: 外六角半牙螺栓ASME18.2.1与平垫圈一起使用,增加了承压面积,防止螺栓头部对连接件的损伤。
与弹簧垫圈结合: 使用弹簧垫圈增强防松效果,特别适用于振动环境,确保连接的长期稳定性。
与密封垫配合: 在需要密封的场合,如管道连接,与密封垫一起使用,防止泄漏,适用于液压系统。
与螺母搭配: 与标准不锈钢螺母配套使用,提供高强度的螺纹连接,适合重型机械和结构连接。
失效案例
案例一: 在一机械设备的装配中,使用了普通碳钢半牙螺栓,导致在潮湿环境下螺栓生锈,连接失效。改进方案:使用外六角半牙螺栓ASME18.2.1,不锈钢材质的耐腐蚀性大大延长了设备的使用寿命。
案例二: 在某建筑工程中,半牙螺栓的螺纹部分过短,导致连接不够牢固,在风载荷下发生松动。改进方案:选择符合ASMEB18.2.1-2012 Table 2标准的外六角半牙螺栓,确保螺纹长度足够,提供更牢固的连接。
应急处理
超负荷紧急处理: 如果设备出现超负荷情况,立即停止运行,检查外六角半牙螺栓ASME18.2.1是否有变形或损坏迹象。若有损坏,需立即更换,并在恢复运行前降低负荷或调整设备参数。
振动过大紧急处理: 若设备振动过大导致螺栓松动,立即停止设备,检查并重新安装螺栓,必要时使用附加的防松措施如弹簧垫圈或防松胶。
高温紧急处理: 在高温环境下使用时,若发现螺栓颜色改变或失去强度,立即停止设备运行,待冷却后检查。若性能受损,需更换,并考虑使用更高温度的材料或改进散热设计。
腐蚀紧急处理: 若发现螺栓表面有腐蚀迹象,立即清洗并检查损伤情况。若损伤轻微,可继续使用,但需加强监控;若损伤严重,需更换新螺栓。
安装错误紧急处理: 若安装不当导致螺栓未完全锁紧,立即重新安装,确保其正确到位,避免设备运行时发生意外。
保存提示
干燥存放: 将外六角半牙螺栓ASME18.2.1存放在干燥通风的环境中,防止生锈。
避免挤压: 存放时避免重物压在螺栓上,以免变形影响使用。
防锈处理: 长期存放前应进行防锈处理,如涂抹防锈油,延长螺栓的保存寿命。
温度控制: 存放温度应控制在-20°C至60°C之间,避免极端温度影响材质性能。
定期检查: 长期存放时需定期检查螺栓状态,确保无锈蚀或其他损坏。
