
304不锈钢六角头带平弹垫组合螺栓GB/T9074.17
规格尺寸:M3-M12
标准号:GB/T9074.17-1988
材质:304不锈钢
头型:六角头
商品详情
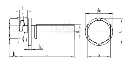
产品图纸

产品名称:
304不锈钢六角头带平弹垫组合螺栓GB/T9074.17
产品参数

【产品优势】
高强度不锈钢材质:采用优质不锈钢(如A2-70或304),具备优异的抗腐蚀性和耐候性,适用于潮湿、酸碱环境,延长使用寿命。
平弹垫防松设计:内置平弹垫提供稳定预紧力,有效防止螺栓因振动或负载变化而松动,提高连接可靠性。
六角头易安装:标准六角头设计,适配通用扳手,安装便捷,适用于狭小空间或批量紧固作业。
国标合规性:严格遵循GB/T9074.17标准,尺寸精度高,与螺母、垫片配套性好,确保互换性。
多功能适用性:广泛用于机械、汽车、电力设备等领域,兼顾防松、耐腐和承重需求,性价比突出。
【基础对比】
对比普通六角螺栓:普通螺栓无弹垫,易松动;本产品带平弹垫,防松效果更优,适合振动环境(如电机、风机)。
对比镀锌螺栓:镀锌螺栓防腐性较弱;不锈钢材质耐腐蚀更强,适用于化工、海洋等恶劣环境。
对比非标组合螺栓:非标产品尺寸不一,互换性差;GB/T9074.17标准确保通用性,降低采购风险。
对比高强度螺栓:高强度螺栓(如8.8级)侧重承重;本产品兼顾防松与耐腐,更适合动态负载场景。
对比弹性垫圈外置方案:外置弹垫易丢失或错装;内置平弹垫一体化设计,安装效率高,减少漏装风险。
【应用案例】
工业电机固定:用于电机与底座的连接,平弹垫防止高频振动导致的螺栓松动,保障设备长期稳定运行。
钢结构桥梁:在桥梁螺栓连接节点中使用,不锈钢材质抗雨水腐蚀,弹垫防松适应风载引起的微位移。
汽车底盘组装:适用于底盘悬挂系统,GB/T9074.17标准螺栓耐颠簸和盐雾腐蚀,提升行车安全性。
电力柜安装:固定高压开关柜支架,弹垫抵消电流震动影响,不锈钢材质避免锈蚀造成的导电隐患。
化工管道法兰:连接腐蚀性介质管道,不锈钢螺栓耐酸碱,平弹垫补偿热胀冷缩导致的预紧力变化。
【注意事项】
扭矩控制:安装时需按标准扭矩拧紧(M8螺栓推荐12~15N·m),过紧易损伤螺纹,过松则防松失效。
材质匹配:避免与铝、铜等软材质直接接触,防止电化学腐蚀,建议加绝缘垫片隔离。
弹垫检查:使用前确认平弹垫无变形或锈蚀,弹性失效需更换,否则防松功能降低。
环境适应性:虽为不锈钢,但强酸(如盐酸)环境仍可能腐蚀,需定期检查或选用更高等级材质。
工具匹配:使用6mm六角扳手,避免使用活动扳手导致棱角磨损,影响后续拆卸。
【技术问答】
Q:不锈钢螺栓能否替代镀锌螺栓?
A:可以,且防腐性更优,但成本较高,建议在潮湿、化工等腐蚀环境优先选用不锈钢。
Q:弹垫失效后如何应急处理?
A:可临时加装外置弹垫或涂抹螺纹胶(如Loctite 243),但需尽快更换合规产品确保长期可靠性。
【保存提示】
干燥存放:置于阴凉干燥处,避免潮湿导致不锈钢表面浮锈,影响美观和安装手感。
分类管理:按规格(如M8-1.25×16)分箱存放,防止混用,提升取用效率。
防磕碰包装:运输时使用气泡膜或分隔盒,避免螺栓头部或螺纹磕碰变形。
定期检查:库存产品每半年检查一次,重点查看弹垫弹性和螺纹是否完好。
避免混放:勿与碳钢螺栓混存,防止铁屑附着导致不锈钢表面生锈。
