
304不锈钢A2-50十字槽盘头带平垫组合螺钉Q/DM-03
规格尺寸:M3-0.5*10
标准号:Q/DM-03-2015
材质:304不锈钢
头型:十字槽盘头
商品详情
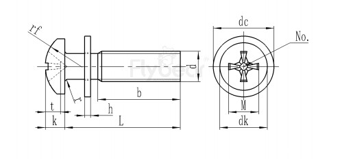
产品图纸

产品名称:
304不锈钢A2-50十字槽盘头带平垫组合螺钉Q/DM-03
产品参数


【产品优势】
卓越抗腐蚀性:304不锈钢A2-50十字槽盘头带平垫组合螺钉Q/DM-03采用304不锈钢,耐酸碱与湿气腐蚀,适合户外及潮湿环境,延长设备寿命。
集成平垫设计:Q/DM-03-2015螺钉自带平垫,增加接触面积,分散压力,减少薄板变形,适合电气面板与机械装配。
十字槽高效安装:304不锈钢A2-50十字槽盘头带平垫组合螺钉Q/DM-03十字槽适配标准螺丝刀,安装快捷,适合自动化与快速维护。
高精度螺纹:Q/DM-03-2015螺钉螺纹精度达6g,配合紧密,减少松动风险,适合高振动工况下的可靠紧固。
美观与实用兼得:304不锈钢A2-50十字槽盘头带平垫组合螺钉Q/DM-03盘头设计平滑美观,适合装饰性连接,如家具与建筑面板。
【基础对比】
对比普通碳钢螺钉:304不锈钢A2-50十字槽盘头带平垫组合螺钉Q/DM-03抗腐蚀性优于碳钢,适合潮湿环境,平垫设计减少安装步骤,效率更高。
对比无平垫螺钉:Q/DM-03-2015螺钉集成平垫,接触面积更大,减少薄板损伤,优于单独螺钉,适合精密机械与电气设备。
对比沉头螺钉:304不锈钢A2-50十字槽盘头带平垫组合螺钉Q/DM-03盘头受力面积大,适合外观要求不高的场景,安装更稳定。
对比非标螺钉:Q/DM-03-2015螺钉遵循严格标准,螺纹精度高,通用性强,优于非标产品,适合大规模工业装配。
对比316不锈钢螺钉:304不锈钢A2-50十字槽盘头带平垫组合螺钉Q/DM-03性价比高,适合中等腐蚀环境,成本低于316不锈钢。
【应用案例】
电气控制箱固定:304不锈钢A2-50十字槽盘头带平垫组合螺钉Q/DM-03用于电气箱面板,平垫分散压力,304不锈钢抗腐蚀,适合户外使用。
机械设备框架连接:机械支架采用Q/DM-03-2015螺钉,盘头受力均匀,十字槽安装快捷,保障高振动工况下的紧固稳定性。
建筑装饰面板安装:幕墙装饰使用304不锈钢A2-50十字槽盘头带平垫组合螺钉Q/DM-03,盘头美观,抗腐蚀,延长装饰寿命。
家电外壳装配:家电面板采用Q/DM-03-2015螺钉,平垫保护表面,304不锈钢耐潮湿,适合洗衣机等家用设备。
汽车内饰固定:汽车仪表盘使用304不锈钢A2-50十字槽盘头带平垫组合螺钉Q/DM-03,高精度螺纹防松,盘头提升美观性。
【注意事项】
控制拧紧力矩:安装304不锈钢A2-50十字槽盘头带平垫组合螺钉Q/DM-03时,使用扭矩螺丝刀,避免过力损伤十字槽或螺纹,影响紧固效果。
保持槽型清洁:确保Q/DM-03-2015螺钉十字槽无杂质,安装前清理,防止螺丝刀打滑,保障螺纹精度与安装质量。
避免电偶腐蚀:搭配304不锈钢螺母或同材质部件,防止异种金属接触,保护304不锈钢A2-50十字槽盘头带平垫组合螺钉Q/DM-03耐腐蚀性。
检查平垫完整性:安装前确认平垫无变形或损坏,确保Q/DM-03-2015螺钉受力均匀,防止紧固失效或材料损伤。
控制使用温度:304不锈钢在400°C以下性能稳定,注意工况温度,保护304不锈钢A2-50十字槽盘头带平垫组合螺钉Q/DM-03力学性能。
【技术问答】
常见问题:平垫设计有何优势?
回答:Q/DM-03-2015螺钉的平垫设计增大接触面积,分散压力,减少薄板变形,优于无平垫螺钉。304不锈钢抗腐蚀,盘头美观,十字槽安装便捷,确保304不锈钢A2-50
十字槽盘头带平垫组合螺钉Q/DM-03在电气、机械装配中的稳定性和效率。
常见问题:如何确保螺钉防松效果?
回答:安装304不锈钢A2-50十字槽盘头带平垫组合螺钉Q/DM-03时,按推荐力矩拧紧,涂抹Loctite 243厌氧胶增强防松性能。定期检查松动,搭配304不锈钢螺母,遵循
Q/DM-03-2015标准,确保十字槽清洁,保障高振动工况下的紧固稳定性。
常见问题:A2-50性能等级适合哪些场景?
回答:304不锈钢A2-50十字槽盘头带平垫组合螺钉Q/DM-03的A2-50等级抗拉强度约500 MPa,适合中等强度紧固,如电气面板、机械框架、建筑装饰。304不锈钢抗腐蚀,
【保存提示】
干燥环境存储:304不锈钢A2-50十字槽盘头带平垫组合螺钉Q/DM-03需存放于通风干燥处,避免潮湿影响304不锈钢抗腐蚀性能,延长保存期限。
防碰撞包装:使用塑料盒或泡沫分装,防止碰撞损伤,保护Q/DM-03-2015螺钉十字槽、螺纹及平垫完整性,确保安装质量。
分类清晰存放:按规格分装,标注清晰,便于快速取用304不锈钢A2-50十字槽盘头带平垫组合螺钉Q/DM-03,避免混淆其他规格。
远离腐蚀物质:避免接触酸碱或盐类化学品,保护304不锈钢表面,延长Q/DM-03-2015螺钉的使用寿命与性能。
定期维护检查:每季检查存储环境,确保无潮气或污染物,必要时涂二硫化钼润滑剂,保护304不锈钢A2-50十字槽盘头带平垫组合螺钉Q/DM-03性能。