
黑锌镍合金十字槽带平弹垫组合螺钉GB9074.4N
规格尺寸:M3 *12
标准号:GB9074.4N-1988
材质:碳钢
头型:十字槽盘头
商品详情
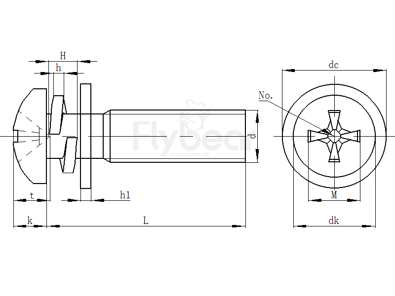
产品图纸
产品名称:
黑锌镍合金十字槽带平弹垫组合螺钉GB9074.4N
产品参数



【产品优势】
优异耐腐蚀性:黑锌镍合金镀层抗酸碱、盐雾,远超普通镀锌,适合户外或潮湿环境,延长GB9074.4N-1988螺钉寿命。
强防松性能:弹簧垫圈提供持续弹性力,抵御振动松动,确保黑锌镍合金十字槽带平弹垫组合螺钉GB9074.4N长期稳定。
高效装配:一体式平弹垫设计减少零件和步骤,提升自动化生产效率,降低装配成本。
灵活操作:十字槽盘头适配多种螺丝刀,安装拆卸便捷,适合狭窄空间操作。
高通用性:符合GB9074.4N-1988标准,尺寸统一,易于替换,简化采购与维护。
【组合方案】
螺纹锁固剂:搭配厌氧胶,增强GB9074.4N-1988螺钉在高振动环境下的锁紧力。
密封垫圈:加装橡胶垫圈,提升密封性,防止液体渗漏,保护连接件。
减震垫片:配合硅胶垫片,吸收振动,降低噪音,适合精密设备。
绝缘垫圈:使用尼龙垫圈,防止电流传导,确保电子设备安全。
防刮垫圈:加纤维垫圈,保护高光洁度表面,防止紧固损伤。
【失效案例】
案例一:沿海设备腐蚀:普通螺钉在海边设备中快速锈蚀,导致松动失效。改进:采用黑锌镍合金十字槽带平弹垫组合螺钉GB9074.4N,其耐腐蚀镀层有效抵抗盐雾,保障连接。
案例二:振动松动:机械设备普通螺栓因振动松脱,影响运行。改进:更换为GB9074.4N-1988螺钉,弹簧垫圈提供预紧力,杜绝松动。
【应急处理】
超负荷:立即停机减载,检查黑锌镍合金十字槽带平弹垫组合螺钉GB9074.4N是否变形,必要时更换。
松动处理:用螺丝刀重新紧固,临时加锁固剂,尽快更换新螺钉。
断裂应急:停机固定部件,记录断裂情况,更换同规格螺钉。
早期腐蚀:涂防锈油延缓腐蚀,尽快更换受损螺钉。
异常振动:检查螺钉状态,紧固或更换,确保连接稳固。
【保存提示】
干燥环境:存放于通风干燥处,防潮保护黑锌镍合金镀层。
避腐蚀物:远离酸碱物质,防止表面镀层受损。
分类存储:按规格分装,标注清晰,避免混用。
轻放防损:避免碰撞,保护螺纹及镀层完整性。
定期检查:每月检查存储环境,确保GB9074.4N-1988螺钉无异常。