
304不锈钢十字槽沉头螺钉DIN965
规格尺寸:M1.6-M10
标准号:DIN965
材质:304不锈钢
头型:十字槽沉头
商品详情
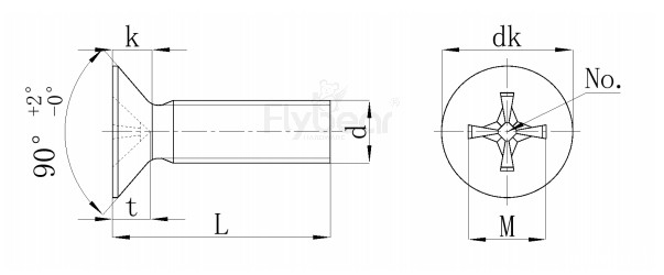
产品图纸

产品名称:
304不锈钢十字槽沉头螺钉DIN965
产品参数


【产品优势】
优异耐腐蚀性:304不锈钢十字槽沉头螺钉采用304不锈钢,抗酸碱及潮湿环境腐蚀,适合食品、医疗、船舶行业,延长使用寿命。
沉头平整美观:DIN965螺钉沉头设计安装后与表面齐平,减少凸起,适合家具、电子外壳等对美观要求高的场景。
十字槽高效安装:304不锈钢十字槽沉头螺钉十字槽适配标准螺丝刀,安装便捷,适合快速装配,提升生产效率。
高卫生标准:DIN965螺钉表面光滑,304不锈钢无毒,符合食品、制药行业卫生要求,减少污染风险,适合洁净环境。
高精度螺纹:304不锈钢十字槽沉头螺钉螺纹符合DIN965标准,咬合紧密,适合高精度设备连接,保障紧固可靠性。
【组合方案】
搭配PTFE密封垫:与PTFE密封垫结合使用,增强304不锈钢十字槽沉头螺钉在潮湿环境中的密封性,防止水分渗透,适合船舶设备。
配套A2-70螺母:使用DIN934 A2-70不锈钢螺母,与DIN965螺钉材质一致,避免电偶腐蚀,提升紧固系统可靠性。
加装304不锈钢平垫:搭配DIN125 304不锈钢平垫,增加DIN965螺钉受力面积,减少薄板变形,适合精密电子装配。
使用防锈润滑剂:涂抹防锈润滑剂于304不锈钢十字槽沉头螺钉,降低摩擦,防止螺纹咬死,延长使用寿命。
【失效案例】
案例:电子设备螺钉凸起影响美观
问题:某电子设备外壳使用普通圆头螺钉,凸起影响表面平整度,且碳钢材质腐蚀,导致外观受损和连接松动。
改进方案:采用304不锈钢十字槽沉头螺钉,DIN965沉头设计确保表面平整,304不锈钢抗腐蚀,符合电子行业卫生要求。
案例:家具连接螺钉松动
问题:木质家具使用普通螺钉,螺纹咬合不足,长期使用后松动,导致结构不稳和表面损伤。
改进方案:选用304不锈钢十字槽沉头螺钉,DIN965标准螺纹精度高,沉头设计保护木材表面,304不锈钢抗潮湿腐蚀。
【应急处理】
超负荷松动应对:若304不锈钢十字槽沉头螺钉因超负荷松动,立即停机,按DIN965推荐力矩重新拧紧,尽快更换新件。
螺纹咬死处理:安装时发现螺纹咬死,停止拧紧,喷涂防锈润滑剂,缓慢拆卸304不锈钢十字槽沉头螺钉,清理螺纹后重新安装。
轻微腐蚀应急:发现DIN965螺钉表面轻微腐蚀,暂停使用,用不锈钢清洁剂清理,涂防锈油防护,检查工况避免进一步腐蚀。
十字槽磨损修复:十字槽磨损无法拧紧,临时用螺钉取出器拆除304不锈钢十字槽沉头螺钉,更换新件,检查螺丝刀匹配。
【保存提示】
干燥通风存储:304不锈钢十字槽沉头螺钉需存放于干燥通风环境,避免潮湿影响304不锈钢表面,维护DIN965螺钉性能。
防碰撞包装:使用塑料盒或泡沫分装,保护DIN965螺钉十字槽和螺纹,避免碰撞损伤,保持安装精度和表面光洁。
远离腐蚀物质:存储时远离酸碱化学品,保持304不锈钢十字槽沉头螺钉表面光滑,延长304不锈钢抗腐蚀性能。
规格分类存放:按规格分装,标注清晰,便于取用304不锈钢十字槽沉头螺钉,避免混淆,提升施工效率。
定期润滑防护:每季检查,涂抹防锈润滑剂,防止DIN965螺钉表面轻微氧化,保持螺纹顺滑和卫生性,延长使用寿命。